FA78減速電機詳細信息
FA78減速電機
FA78減速電機基座參數計算公式:齒輪減速馬達
滑塊傳送帶參數:承重6300Kg,輪子直徑φ98mm,拉動速度0.69m/s
運輸速度0.69m×60s=41.4m每分鐘
3.14(圓周率)×0.098m(輪子直徑φ98mm)=0.30772m
41.4m÷0.30772m=134.54r/min輸出轉數
輸送物流6300Kg換算成N=61740n
61740n×0.049輪子半徑×0.06摩擦系數=181.52×2=363.04N.m輸出扭矩
1400電機輸入轉速÷134.54r/min=10.41減速比
363.04N.m輸出扭矩÷10.41減速比=34.87N.m電機扭矩
34.87N.m電機扭矩換算成電機功率=5.54KW左右
對應的FA78減速電機功率型號:
型號:FA78-BVP5.5KW
減速比:12.20
輸出轉數:119轉
輸出扭矩:440N.m
安全系數:3.4
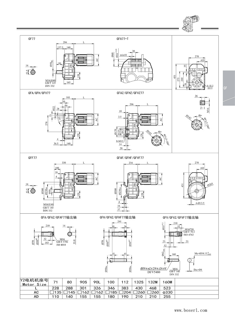
FA78減速電機基座尺寸:輸出軸Φ20+鍵2.5(可定做),高134*寬135*長174(帶輸出軸)平行軸斜齒輪減速機

FA78平行軸齒輪減速機型號:

FA78減速電機型號參數:分體減速機電機
FA78減速機配0.37KW電機參數
| 型號 | 功率 | 輸出轉數 | 輸出扭矩 | 服務系數 |
| F77Y0.37KW | 0.37KW | 4.90rpm | 720N.m | 2.10 |
| F77Y0.37KW | 0.37KW | 5.20rpm | 670N.m | 2.20 |
| F77Y0.37KW | 0.37KW | 6.10rpm | 575N.m | 2.60 |
| F77Y0.37KW | 0.37KW | 7.00rpm | 505N.m | 3.00 |
FA78減速機配0.55KW電機參數
| 型號 | 功率 | 輸出轉數 | 輸出扭矩 | 服務系數 |
| F77Y0.55KW | 0.55KW | 6.10rpm | 850N.m | 1.75 |
| F77Y0.55KW | 0.55KW | 7.00rpm | 750N.m | 2.00 |
| F77Y0.55KW | 0.55KW | 7.30rpm | 715N.m | 2.10 |
| F77Y0.55KW | 0.55KW | 8.30rpm | 630N.m | 2.40 |
| F77Y0.55KW | 0.55KW | 9.70rpm | 540N.m | 2.80 |
| F77Y0.55KW | 0.55KW | 11.00rpm | 495N.m | 3.00 |
| F77Y0.55KW | 0.55KW | 12.00rpm | 435N.m | 3.40 |
| F77Y0.55KW | 0.55KW | 13.00rpm | 410N.m | 3.60 |
| F77Y0.55KW | 0.55KW | 15.00rpm | 360N.m | 4.20 |
FA78減速機配0.75KW電機參數
| 型號 | 功率 | 輸出轉數 | 輸出扭矩 | 服務系數 |
| F77Y0.75KW | 0.75KW | 6.40rpm | 1120N.m | 1.35 |
| F77Y0.75KW | 0.75KW | 7.20rpm | 980N.m | 1.50 |
| F77Y0.75KW | 0.75KW | 7.60rpm | 940N.m | 1.60 |
| F77Y0.75KW | 0.75KW | 8.60rpm | 830N.m | 1.80 |
| F77Y0.75KW | 0.75KW | 10.0rpm | 710N.m | 2.10 |
| F77Y0.75KW | 0.75KW | 11.0rpm | 650N.m | 2.30 |
| F77Y0.75KW | 0.75KW | 13.0rpm | 570N.m | 2.60 |
| F77Y0.75KW | 0.75KW | 13.0rpm | 540N.m | 2.80 |
FA78減速機配1.1KW電機參數
| 型號 | 功率 | 輸出轉數 | 輸出扭矩 | 服務系數 |
| F77Y1.1KW | 1.1KW | 7.20rpm | 1460N.m | 1.00 |
| F77Y1.1KW | 1.1KW | 7.50rpm | 1390N.m | 1.10 |
| F77Y1.1KW | 1.1KW | 8.50rpm | 1230N.m | 1.20 |
| F77Y1.1KW | 1.1KW | 10.0rpm | 1050N.m | 1.45 |
| F77Y1.1KW | 1.1KW | 11.0rpm | 960N.m | 1.55 |
| F77Y1.1KW | 1.1KW | 12.0rpm | 840N.m | 1.75 |
| F77Y1.1KW | 1.1KW | 13.0rpm | 800N.m | 1.85 |
| F77Y1.1KW | 1.1KW | 15.0rpm | 700N.m | 2.10 |
| F77Y1.1KW | 1.1KW | 17.0rpm | 630N.m | 2.40 |
| F77Y1.1KW | 1.1KW | 19.0rpm | 555N.m | 2.70 |
FA78減速機配1.5KW電機參數
| 型號 | 功率 | 輸出轉數 | 輸出扭矩 | 服務系數 |
| F77Y1.5KW | 1.5KW | 8.60rpm | 1660N.m | 0.90 |
| F77Y1.5KW | 1.5KW | 10.0rpm | 1420N.m | 1.05 |
| F77Y1.5KW | 1.5KW | 11.0rpm | 1300N.m | 1.15 |
| F77Y1.5KW | 1.5KW | 12.0rpm | 1140N.m | 1.30 |
| F77Y1.5KW | 1.5KW | 13.0rpm | 1080N.m | 1.40 |
| F77Y1.5KW | 1.5KW | 15.0rpm | 950N.m | 1.60 |
| F77Y1.5KW | 1.5KW | 17.0rpm | 850N.m | 1.75 |
| F77Y1.5KW | 1.5KW | 19.0rpm | 750N.m | 2.00 |
| F77Y1.5KW | 1.5KW | 20.0rpm | 725N.m | 2.10 |
| F77Y1.5KW | 1.5KW | 22.0rpm | 665N.m | 2.20 |
| F77Y1.5KW | 1.5KW | 25.0rpm | 580N.m | 2.60 |
| F77Y1.5KW | 1.5KW | 26.0rpm | 550N.m | 2.70 |
| F77Y1.5KW | 1.5KW | 30.0rpm | 480N.m | 3.10 |
| F77Y1.5KW | 1.5KW | 33.0rpm | 435N.m | 3.40 |
| F77Y1.5KW | 1.5KW | 37.0rpm | 380N.m | 3.90 |
| F77Y1.5KW | 1.5KW | 39.0rpm | 365N.m | 3.00 |
| F77Y1.5KW | 1.5KW | 45.0rpm | 315N.m | 4.40 |
FA78減速機配2.2KW電機參數
| 型號 | 功率 | 輸出轉數 | 輸出扭矩 | 服務系數 |
| F77Y2.2KW | 2.2KW | 12.0rpm | 1680N.m | 0.90 |
| F77Y2.2KW | 2.2KW | 13.0rpm | 1590N.m | 0.95 |
| F77Y2.2KW | 2.2KW | 15.0rpm | 1390N.m | 1.05 |
| F77Y2.2KW | 2.2KW | 17.0rpm | 1260N.m | 1.20 |
| F77Y2.2KW | 2.2KW | 19.0rpm | 1100N.m | 1.35 |
| F77Y2.2KW | 2.2KW | 21.0rpm | 970N.m | 1.55 |
| F77Y2.2KW | 2.2KW | 24.0rpm | 850N.m | 1.75 |
| F77Y2.2KW | 2.2KW | 26.0rpm | 810N.m | 1.85 |
| F77Y2.2KW | 2.2KW | 29.0rpm | 710N.m | 2.10 |
| F77Y2.2KW | 2.2KW | 33.0rpm | 640N.m | 2.30 |
| F77Y2.2KW | 2.2KW | 39.0rpm | 535N.m | 2.10 |
| F77Y2.2KW | 2.2KW | 45.0rpm | 460N.m | 3.00 |
| F77Y2.2KW | 2.2KW | 50.0rpm | 420N.m | 3.40 |
| F77Y2.2KW | 2.2KW | 56.0rpm | 375N.m | 4.00 |
FA78減速機配3KW電機參數
| 型號 | 功率 | 輸出轉數 | 輸出扭矩 | 服務系數 |
| F77Y3KW | 3KW | 17.0rpm | 1680N.m | 0.90 |
| F77Y3KW | 3KW | 19.0rpm | 1470N.m | 1.00 |
| F77Y3KW | 3KW | 22.0rpm | 1300N.m | 1.15 |
| F77Y3KW | 3KW | 25.0rpm | 1140N.m | 1.30 |
| F77Y3KW | 3KW | 26.0rpm | 1080N.m | 1.40 |
| F77Y3KW | 3KW | 30.0rpm | 950N.m | 1.55 |
| F77Y3KW | 3KW | 33.0rpm | 850N.m | 1.75 |
| F77Y3KW | 3KW | 38.0rpm | 750N.m | 2.00 |
| F77Y3KW | 3KW | 40.0rpm | 720N.m | 1.55 |
| F77Y3KW | 3KW | 46.0rpm | 620N.m | 2.20 |
| F77Y3KW | 3KW | 51.0rpm | 565N.m | 2.50 |
| F77Y3KW | 3KW | 57.0rpm | 500N.m | 3.00 |
| F77Y3KW | 3KW | 68.0rpm | 420N.m | 3.60 |
FA78減速機配4KW電機參數
| 型號 | 功率 | 輸出轉數 | 輸出扭矩 | 服務系數 |
| F77Y4KW | 4KW | 22.0rpm | 1730N.m | 0.85 |
| F77Y4KW | 4KW | 25.0rpm | 1520N.m | 1.00 |
| F77Y4KW | 4KW | 26.0rpm | 1440N.m | 1.05 |
| F77Y4KW | 4KW | 30.0rpm | 1260N.m | 1.20 |
| F77Y4KW | 4KW | 34.0rpm | 1140N.m | 1.30 |
| F77Y4KW | 4KW | 38.0rpm | 1000N.m | 1.50 |
| F77Y4KW | 4KW | 43.0rpm | 880N.m | 1.70 |
| F77Y4KW | 4KW | 49.0rpm | 780N.m | 1.90 |
| F77Y4KW | 4KW | 57.0rpm | 665N.m | 2.20 |
| F77Y4KW | 4KW | 46.0rpm | 820N.m | 1.65 |
| F77Y4KW | 4KW | 51.0rpm | 750N.m | 1.90 |
| F77Y4KW | 4KW | 57.0rpm | 665N.m | 2.20 |
| F77Y4KW | 4KW | 68.0rpm | 560N.m | 2.70 |
| F77Y4KW | 4KW | 74.0rpm | 515N.m | 2.90 |
FA78減速機配5.5KW電機參數
| 型號 | 功率 | 輸出轉數 | 輸出扭矩 | 服務系數 |
| F77Y5.5KW | 5.5KW | 30.0rpm | 1740N.m | 0.85 |
| F77Y5.5KW | 5.5KW | 33.0rpm | 1570N.m | 0.95 |
| F77Y5.5KW | 5.5KW | 38.0rpm | 1380N.m | 1.10 |
| F77Y5.5KW | 5.5KW | 43.0rpm | 1210N.m | 1.25 |
| F77Y5.5KW | 5.5KW | 49.0rpm | 1070N.m | 1.40 |
| F77Y5.5KW | 5.5KW | 57.0rpm | 920N.m | 1.55 |
| F77Y5.5KW | 5.5KW | 57.0rpm | 920N.m | 1.65 |
| F77Y5.5KW | 5.5KW | 68.0rpm | 770N.m | 1.95 |
| F77Y5.5KW | 5.5KW | 74.0rpm | 710N.m | 2.10 |
| F77Y5.5KW | 5.5KW | 83.0rpm | 630N.m | 2.40 |
| F77Y5.5KW | 5.5KW | 93.0rpm | 560N.m | 2.70 |
| F77Y5.5KW | 5.5KW | 103rpm | 505N.m | 3.00 |
| F77Y5.5KW | 5.5KW | 119rpm | 440N.m | 3.40 |
FA78減速機配7.5KW電機參數
| 型號 | 功率 | 輸出轉數 | 輸出扭矩 | 服務系數 |
| F77Y7.5KW | 7.5KW | 44.0rpm | 1640N.m | 0.90 |
| F77Y7.5KW | 7.5KW | 49.0rpm | 1450N.m | 1.05 |
| F77Y7.5KW | 7.5KW | 58.0rpm | 1240N.m | 1.15 |
| F77Y7.5KW | 7.5KW | 58.0rpm | 1240N.m | 1.20 |
| F77Y7.5KW | 7.5KW | 69.0rpm | 1040N.m | 1.45 |
| F77Y7.5KW | 7.5KW | 75.0rpm | 950N.m | 1.55 |
| F77Y7.5KW | 7.5KW | 84.0rpm | 850N.m | 1.75 |
| F77Y7.5KW | 7.5KW | 94.0rpm | 760N.m | 1.95 |
| F77Y7.5KW | 7.5KW | 105rpm | 685N.m | 2.20 |
| F77Y7.5KW | 7.5KW | 120rpm | 590N.m | 2.50 |
| F77Y7.5KW | 7.5KW | 135rpm | 530N.m | 2.80 |
| F77Y7.5KW | 7.5KW | 158rpm | 450N.m | 2.40 |
| F77Y7.5KW | 7.5KW | 178rpm | 400N.m | 2.70 |
| F77Y7.5KW | 7.5KW | 199rpm | 355N.m | 3.00 |
| F77Y7.5KW | 7.5KW | 221rpm | 320N.m | 3.30 |
| F77Y7.5KW | 7.5KW | 255rpm | 280N.m | 3.80 |
| F77Y7.5KW | 7.5KW | 285rpm | 250N.m | 4.30 |
| F77Y7.5KW | 7.5KW | 343rpm | 205N.m | 4.80 |
FA78減速機配11KW電機參數
| 型號 | 功率 | 輸出轉數 | 輸出扭矩 | 服務系數 |
| F77Y11KW | 11KW | 75.0rpm | 1400N.m | 1.05 |
| F77Y11KW | 11KW | 84.0rpm | 1240N.m | 1.20 |
| F77Y11KW | 11KW | 94.0rpm | 1110N.m | 1.35 |
| F77Y11KW | 11KW | 105rpm | 1000N.m | 1.50 |
| F77Y11KW | 11KW | 121rpm | 860N.m | 1.75 |
| F77Y11KW | 11KW | 135rpm | 775N.m | 1.95 |
| F77Y11KW | 11KW | 159rpm | 660N.m | 1.65 |
| F77Y11KW | 11KW | 179rpm | 585N.m | 1.85 |
| F77Y11KW | 11KW | 200rpm | 525N.m | 2.00 |
| F77Y11KW | 11KW | 222rpm | 470N.m | 2.30 |
| F77Y11KW | 11KW | 256rpm | 410N.m | 2.60 |
| F77Y11KW | 11KW | 286rpm | 365N.m | 2.90 |
| F77Y11KW | 11KW | 345rpm | 300N.m | 3.30 |
FA78減速電機生產工廠展示:看廠請聯系微信13827261050,獲取位置,需提前一天預約
推薦類似型號:F78減速機
關鍵詞:GFA系列減速器配馬達一體式_分體電機減速機_分體減速機_分體減速機電機_分體電機_FA系列減速機_FA型減速機_GFA系列減速機_FA系列減速器_FA系列減速機生產廠家
FA系列齒輪減速馬達型號:FA28減速機,FA38減速機,FA48減速機,FA68減速機,FA78減速機,FA88減速機,FA98減速機,FA108減速機,FA128減速機,FA158減速機
FA系列電動機減速機可配變頻電機,剎車電機,防爆電機,伺服電機,交流電機,直流電機,三相電機,單相電機 0.12KW-132KW之間
如需工程師幫選型,請加微信13827261050,留言告知工程師參數要求
標簽:   FA78減速電機 FA77平行軸齒輪減速機 FA77減速機功率 FA77減速機基座尺寸 FA77減速機模型 FA77減速機型號參數
